產品名稱:
英管外螺紋60°內錐/英錐管外螺紋直接頭
產品系列搜索
請選擇您想要尋找的相關產品系列
產品描述

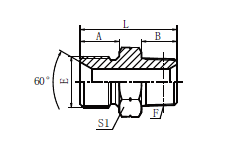
| 訂貨號 | 螺紋 | 尺寸 | ||||||
| E | F | A | B | L | S1 | |||
| A34-04 | G1/4"X19 | R1/4"X19 | 12 | 14.5 | 32 | 19 | ||
| A34-04-02 | G1/4"X19 | R1/8"X28 | 12 | 10 | 28 | 19 | ||
| A34-04-06 | G1/4"X19 | R3/8"X19 | 12 | 15 | 32 | 19 | ||
| A34-06 | G3/8"X19 | R3/8"X19 | 13.5 | 15 | 35.5 | 22 | ||
| A34-06-04 | G3/8"X19 | R1/4"X19 | 13.5 | 14.5 | 35.5 | 22 | ||
| A34-06-08 | G3/8"X19 | R1/2"X14 | 13.5 | 20 | 40.5 | 24 | ||
| A34-08 | G1/2"X14 | R1/2"X14 | 16 | 20 | 45 | 27 | ||
| A34-08-04 | G1/2"X14 | R1/4"X19 | 16 | 14.5 | 40.5 | 27 | ||
| A34-08-06 | G1/2"X14 | R3/8"X19 | 16 | 15 | 40 | 27 | ||
| A34-08-12 | G1/2"X14 | R3/4"X14 | 16 | 20 | 45 | 30 | ||
| A34-12 | G3/4"X14 | R3/4"X14 | 18.5 | 20 | 48.5 | 32 | ||
| A34-12-08 | G3/4"X14 | R1/2"X14 | 18.5 | 20 | 49.5 | 32 | ||
| A34-12-16 | G3/4"X14 | R1"X11 | 18.5 | 25.5 | 53.5 | 36 | ||
| A34-12-20 | G3/4"X14 | R1.1/4"X11 | 18.5 | 26.5 | 58 | 46 | ||
| A34-16 | G1"X11 | R1"X11 | 20.5 | 25.5 | 58 | 41 | ||
| A34-16-12 | G1"X11 | R3/4"X14 | 20.5 | 20 | 53 | 41 | ||
| A34-16-20 | G1"X11 | R1.1/4"X11 | 20.5 | 26.5 | 60 | 46 | ||
| A34-20 | G1.1/4"X11 | R1.1/4"X11 | 20.5 | 26.5 | 62 | 50 | ||
| A34-20-16 | G1.1/4"X11 | R1"X11 | 20.5 | 25.5 | 61 | 50 | ||
| A34-20-24 | G1.1/4"X11 | R1.1/2"X11 | 20.5 | 26.5 | 62 | 50 | ||
| A34-24 | G1.1/2"X11 | R1.1/2"X11 | 23 | 26.5 | 64.5 | 55 | ||
| A34-24-20 | G1.1/2"X11 | R1.1/4"X11 | 23 | 26.5 | 64.5 | 55 | ||
| A34-24-32 | G1.1/2"X11 | R2"X11 | 23 | 30 | 70 | 65 | ||
| A34-32 | G2"X11 | R2"X11 | 25.5 | 30 | 72.5 | 70 | ||
| A34-32-20 | G2"X11 | R1.1/4"X11 | 25.5 | 27 | 68.5 | 70 | ||
| A34-32-24 | G2"X11 | R1.1/2"X11 | 25.5 | 26.5 | 68.5 | 70 | ||